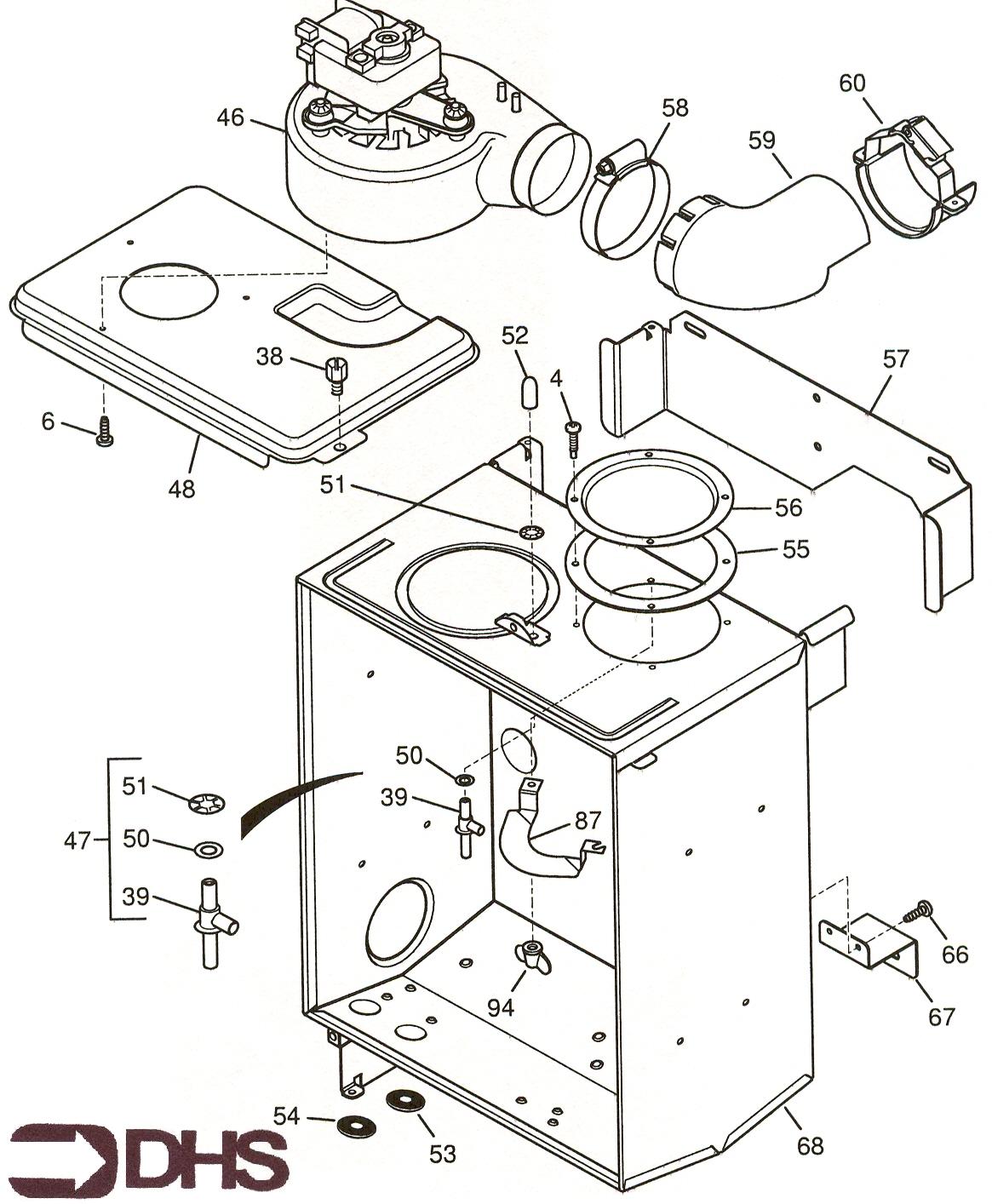
Glowworm Micron 60 FF / FAN
Brand: Glowworm Range: MicroN Model: 60 FF GC Number: 41-047-19
We have a wide range of spare parts for the Glowworm Micron 60 FF. Can't find the part you're looking for? You can contact us and a member of our team will be more than happy to help find the part you need.
All of our boiler manuals are free to download from our boiler manuals section
