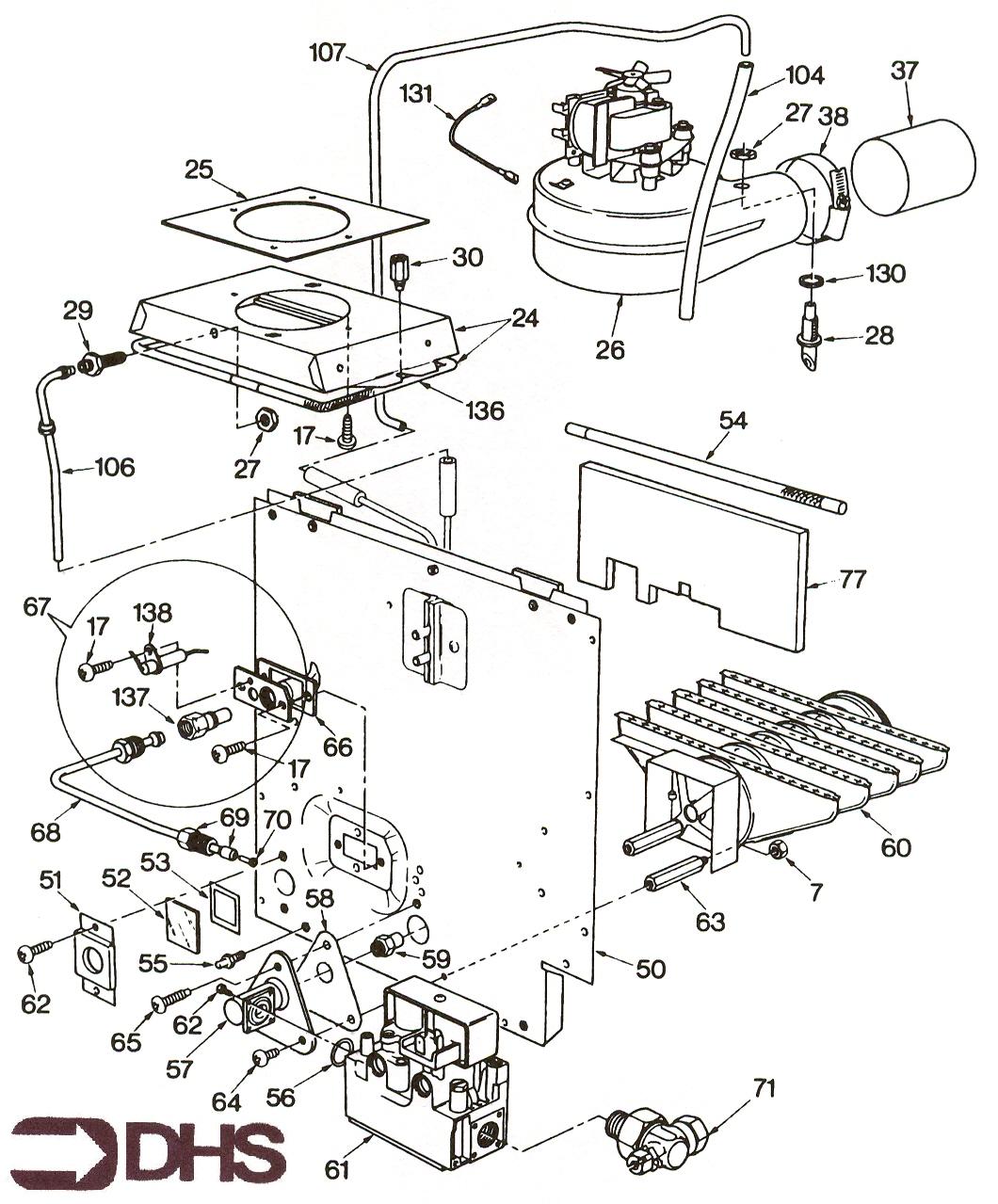
Glowworm KFB 40 / PUMP
Brand: Glowworm Range: KFB Model: 40 GC Number: 41-319-09
We offer a wide range of spare parts for the Glowworm KFB 40. Can't find the part you're looking for? You can contact us and a member of our team will be more than happy to help find the part you need.
All of our boiler manuals are free to download from our boiler manuals section
