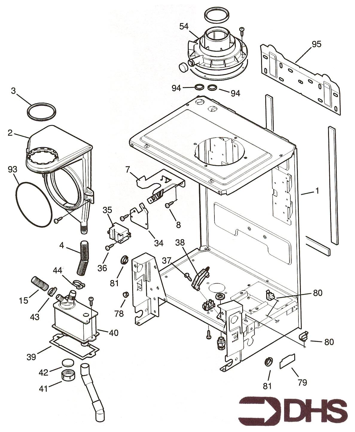
Glowworm HXI 24 / CHASSIS
Brand: Glowworm Range: HXI Model: 24 GC Number: 41-047-69
We have a wide range of spare parts for the Glowworm HXI 24. Can't find the part you're looking for? You can contact us and a member of our team will be more than happy to help find the part you need.
Installation ManualAll of our boiler manuals are free to download from our boiler manuals section
