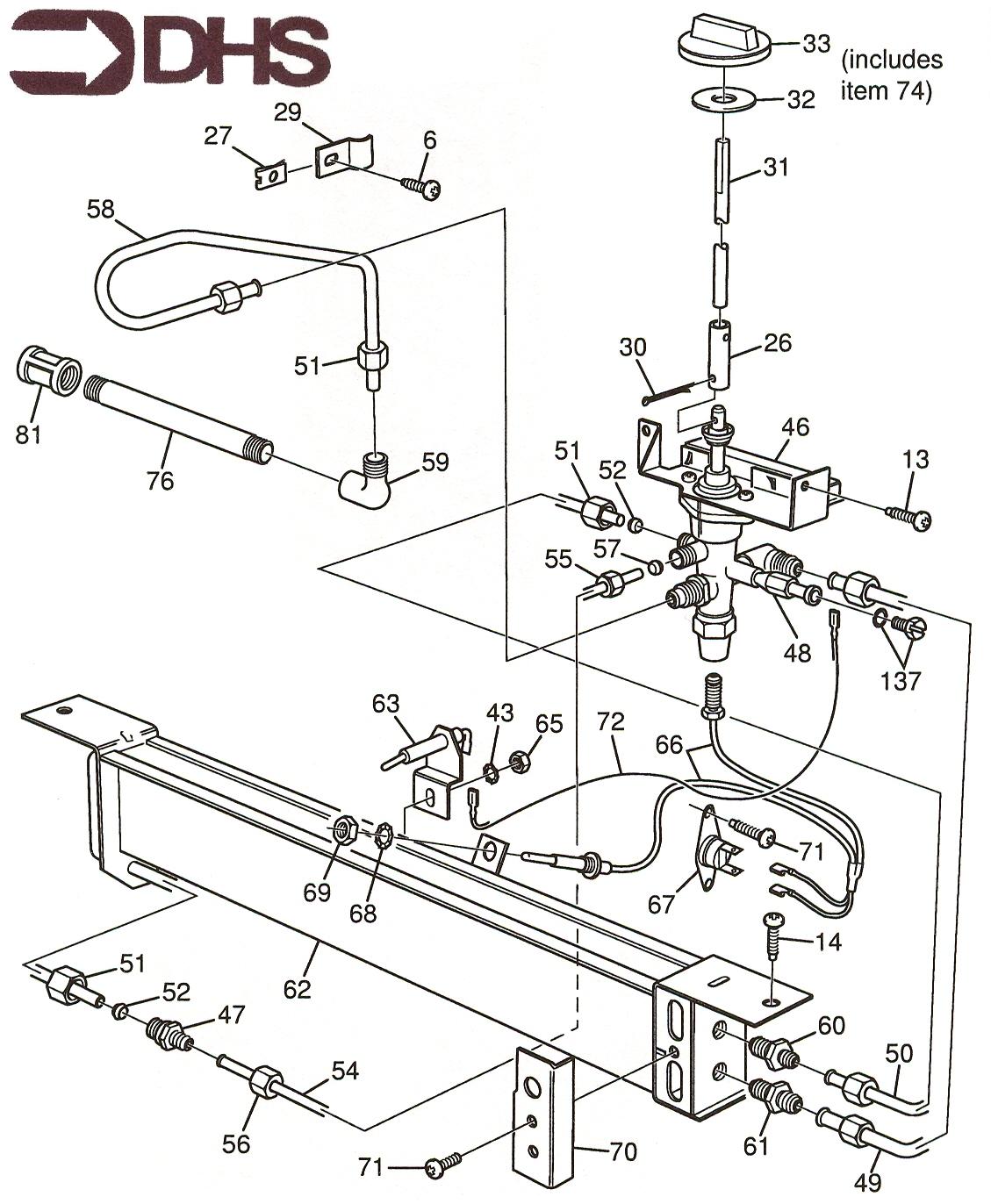
Glowworm Homeglow 2 FIRE / BURNER
Brand: Glowworm Range: HOMEGLOW 2 Model: FIRE GC Number: 32-314-52
Here you will find all the spare parts for the Glowworm Homeglow 2 FIRE. Can't find the part you're looking for? You can contact us and a member of our team will be more than happy to help find the part you need.
All of our boiler manuals are free to download from our boiler manuals section
