Glowworm Hideaway 60 LPG OF

We offer a wide range of spare parts for the Glowworm Hideaway 60 LPG OF. Can't find the part you're looking for? You can contact us (using the details at the bottom of the page) and we'll be happy to help you find the part you need.

All of our boiler manuals are free to download from our boiler manuals section.

BOILER logo
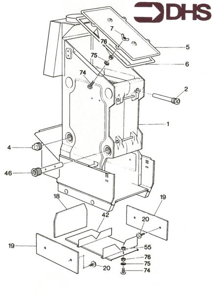
BOILER
FULL PARTS LISTING FOR THIS MO
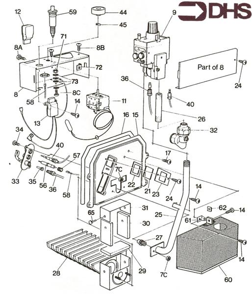
GAS CONTROL SECTION logo
GAS CONTROL SECTION