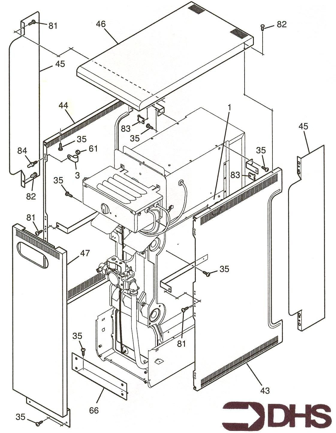
Glowworm Hideaway 50 B FF / CASING
Brand: Glowworm Range: HIDEAWAY Model: 50 B FF GC Number: 41-047-33
Here you can find the spare parts for the Glowworm Hideaway 50 B FF. Can't find the part you're looking for? You can contact us and a member of our team will be more than happy to help find the part you need.
All of our boiler manuals are free to download from our boiler manuals section
