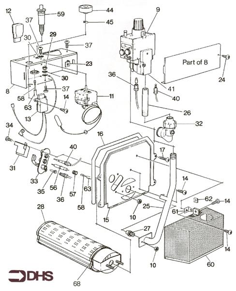
Glowworm Hideaway 40 OF

We offer a wide range of spare parts for the Glowworm Hideaway 40 OF. Can't find the part you're looking for? You can contact us (using the details at the bottom of the page) and we'll be happy to help you find the part you need.

All of our boiler manuals are free to download from our boiler manuals section.

BOILER logo
BOILER
BURNER ASSY logo
BURNER ASSY
FULL PARTS LISTING FOR THIS MO
HEAT EXCHANGER logo
HEAT EXCHANGER
OUTER PANEL ASSY logo
OUTER PANEL ASSY
SHORT PARTS LIST