Glowworm Fuelsaver MK2 30 Br

We offer a wide range of spare parts for the Glowworm Fuelsaver MK2 30 Br. Can't find the part you're looking for? You can contact us (using the details at the bottom of the page) and we'll be happy to help you find the part you need.

All of our boiler manuals are free to download from our boiler manuals section.

AIR DUCT ASSY logo
AIR DUCT ASSY
CASING ASSY logo
CASING ASSY
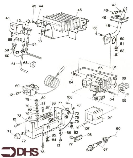
FULL PARTS LISTING FOR THIS MO
HEAT EXCHANGER logo
HEAT EXCHANGER
SHORT PARTS LIST
THERMOSTAT ASSY logo
THERMOSTAT ASSY