Glowworm Energysaver Combi 2 100

We offer a wide range of spare parts for the Glowworm Energysaver Combi 2 100. Can't find the part you're looking for? You can contact us (using the details at the bottom of the page) and we'll be happy to help you find the part you need.

All of our boiler manuals are free to download from our boiler manuals section.

BURNER ASSY logo
BURNER ASSY
CASING logo
CASING
EXPANSION VESSEL logo
EXPANSION VESSEL
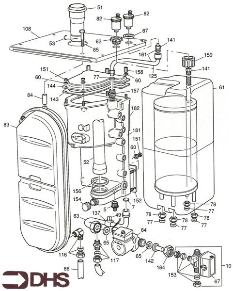
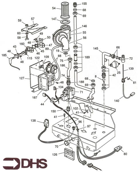
FULL PARTS LISTING FOR THIS MO
GAS PIPE ASSY logo
GAS PIPE ASSY
GAS/WATER COCK logo
GAS/WATER COCK
SHORT PARTS LIST