Glowworm Energysaver 30

We offer a wide range of spare parts for the Glowworm Energysaver 30. Can't find the part you're looking for? You can contact us (using the details at the bottom of the page) and we'll be happy to help you find the part you need.

All of our boiler manuals are free to download from our boiler manuals section.

CASING logo
CASING
FLUE SECTION logo
FLUE SECTION
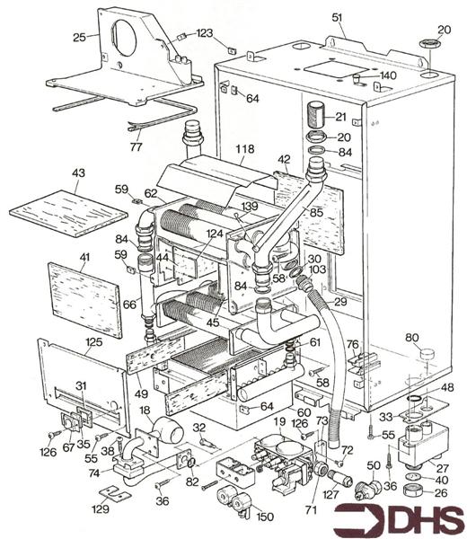
FULL PARTS LISTING FOR THIS MO
GAS PIPE ASSY logo
GAS PIPE ASSY
HEAT EXCHANGER logo
HEAT EXCHANGER
SHORT PARTS LIST