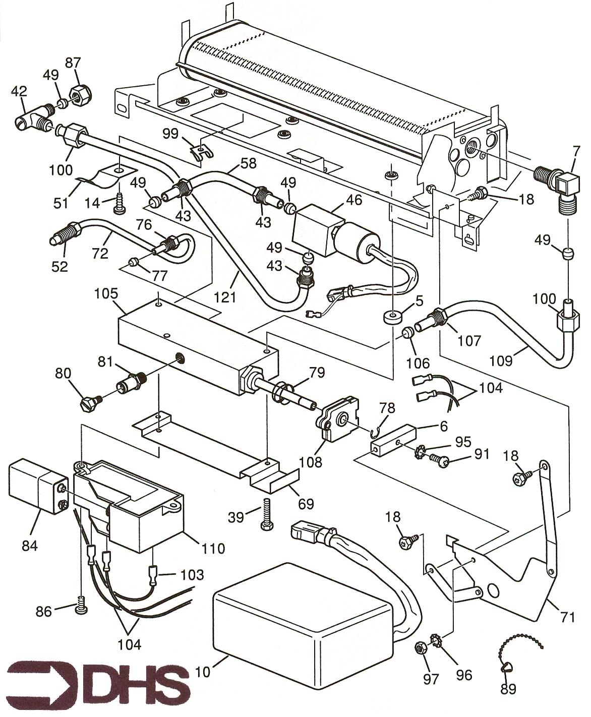
Glowworm Dovedale Manual Pf / GAS PIPE ASSY
Brand: Glowworm Range: DOVEDALE Model: Manual PF GC Number: 32-047-01
Here you can find the spare parts for the Glowworm Dovedale Manual Pf. Can't find the part you're looking for? You can contact us and a member of our team will be more than happy to help find the part you need.
All of our boiler manuals are free to download from our boiler manuals section
