Glowworm Compact 100 SS / GAS SECTION
Brand: Glowworm Range: Compact Model: 100 SS GC Number: 41-047-26
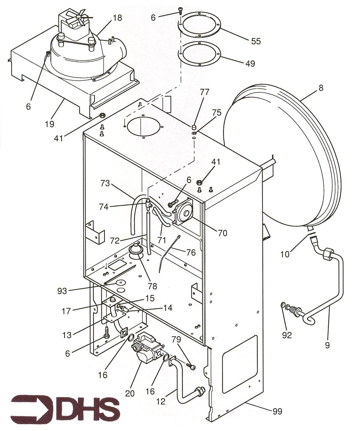
We have a range of spare parts for the Glowworm Compact 100 SS. Can't find the part you're looking for? You can contact us and a member of our team will be more than happy to help find the part you need.
All of our boiler manuals are free to download from our boiler manuals section
