Glowworm Chatsworth Manual / GAS CONTROL SECTION
Brand: Glowworm Range: CHATSWORTH Model: Manual GC Number: 37-047-03
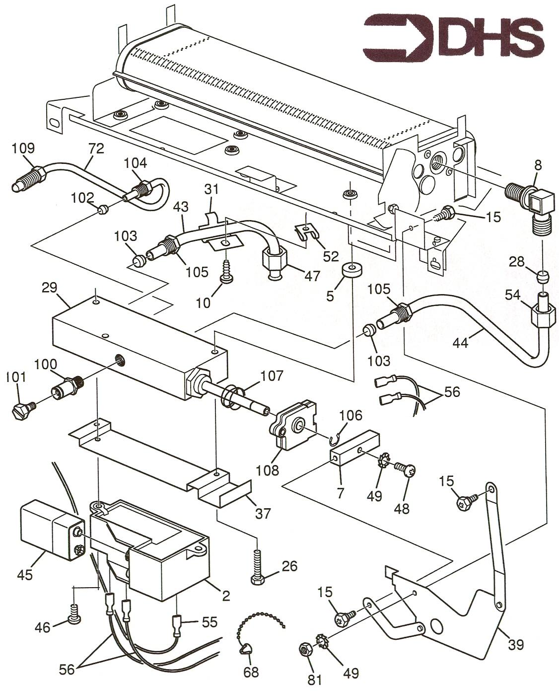
We offer a wide range of spare parts for the Glowworm Chatsworth Manual. Can't find the part you're looking for? You can contact us and a member of our team will be more than happy to help find the part you need.
All of our boiler manuals are free to download from our boiler manuals section
