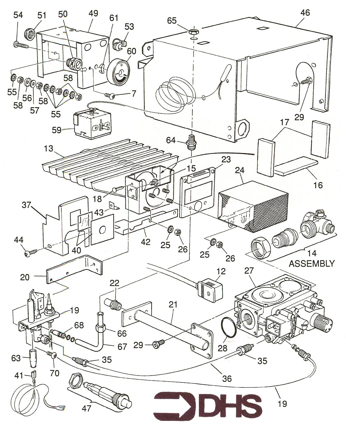
Glowworm 56/2 F BBU / BURNER
Brand: Glowworm Range: 56/2 F Model: BBU GC Number: 44-315-42
Here you will find all the spare parts for the Glowworm 56/2 F BBU. Can't find the part you're looking for? You can contact us and a member of our team will be more than happy to help find the part you need.
All of our boiler manuals are free to download from our boiler manuals section
