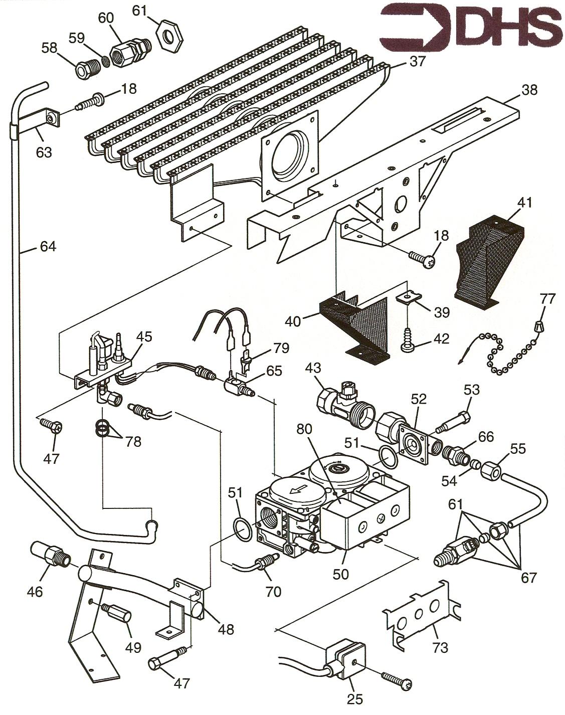
Glowworm 50 BBU / BURNER
Brand: Glowworm Range: 50 Model: BBU GC Number: 44-047-02
Here you can find the spare parts for the Glowworm 50 BBU. Can't find the part you're looking for? You can contact us and a member of our team will be more than happy to help find the part you need.
Installation ManualAll of our boiler manuals are free to download from our boiler manuals section
