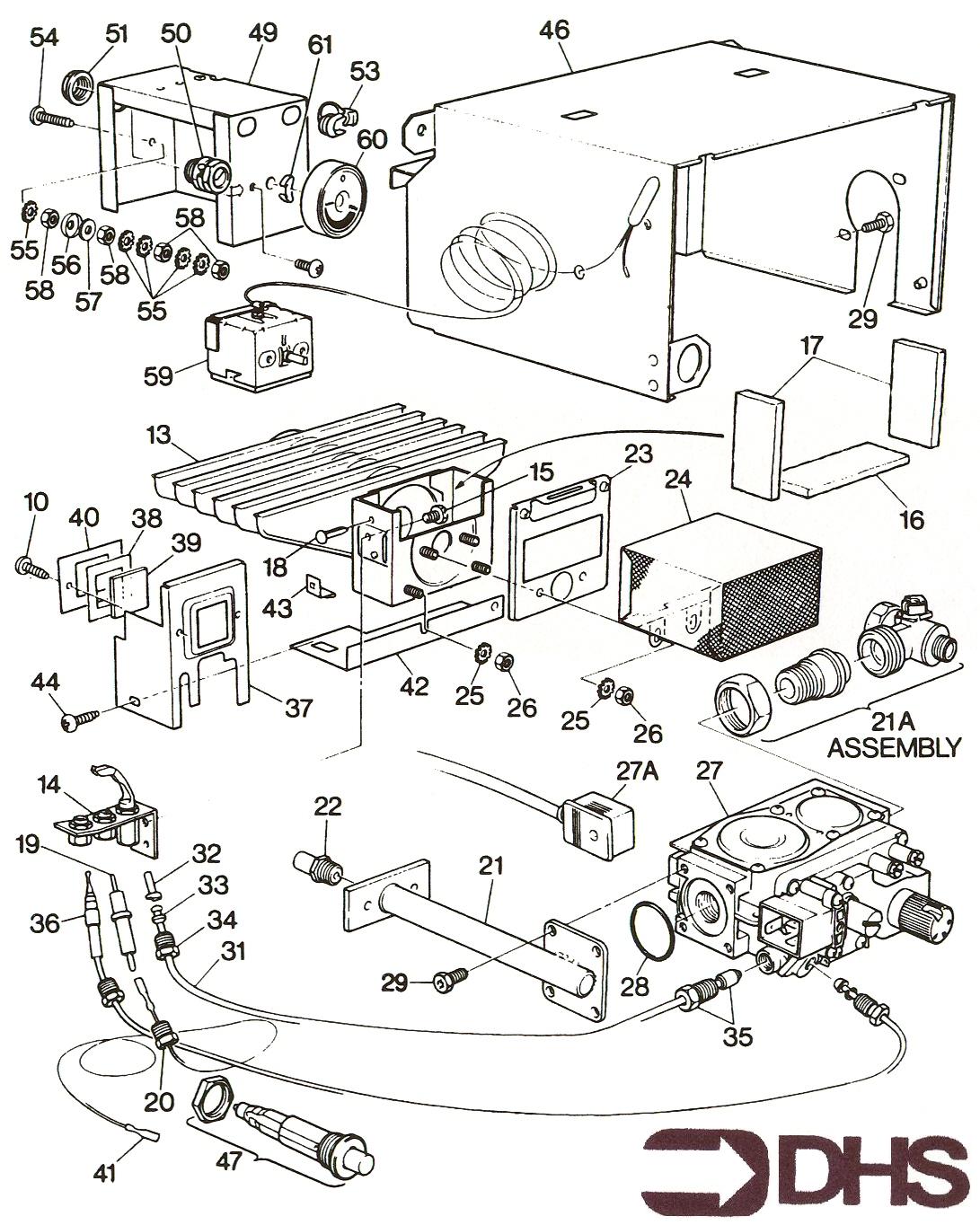
Glowworm 45 F BBU / GAS CONTROL SECTION
Brand: Glowworm Range: 45 F Model: BBU GC Number: 44-315-29
We have a range of spare parts for the Glowworm 45 F BBU. Can't find the part you're looking for? You can contact us and a member of our team will be more than happy to help find the part you need.
All of our boiler manuals are free to download from our boiler manuals section
