Valor Obsession 750FS / ENGINE
Brand: Valor Range: Obsession Model: 750FS GC Number: 32-032-58
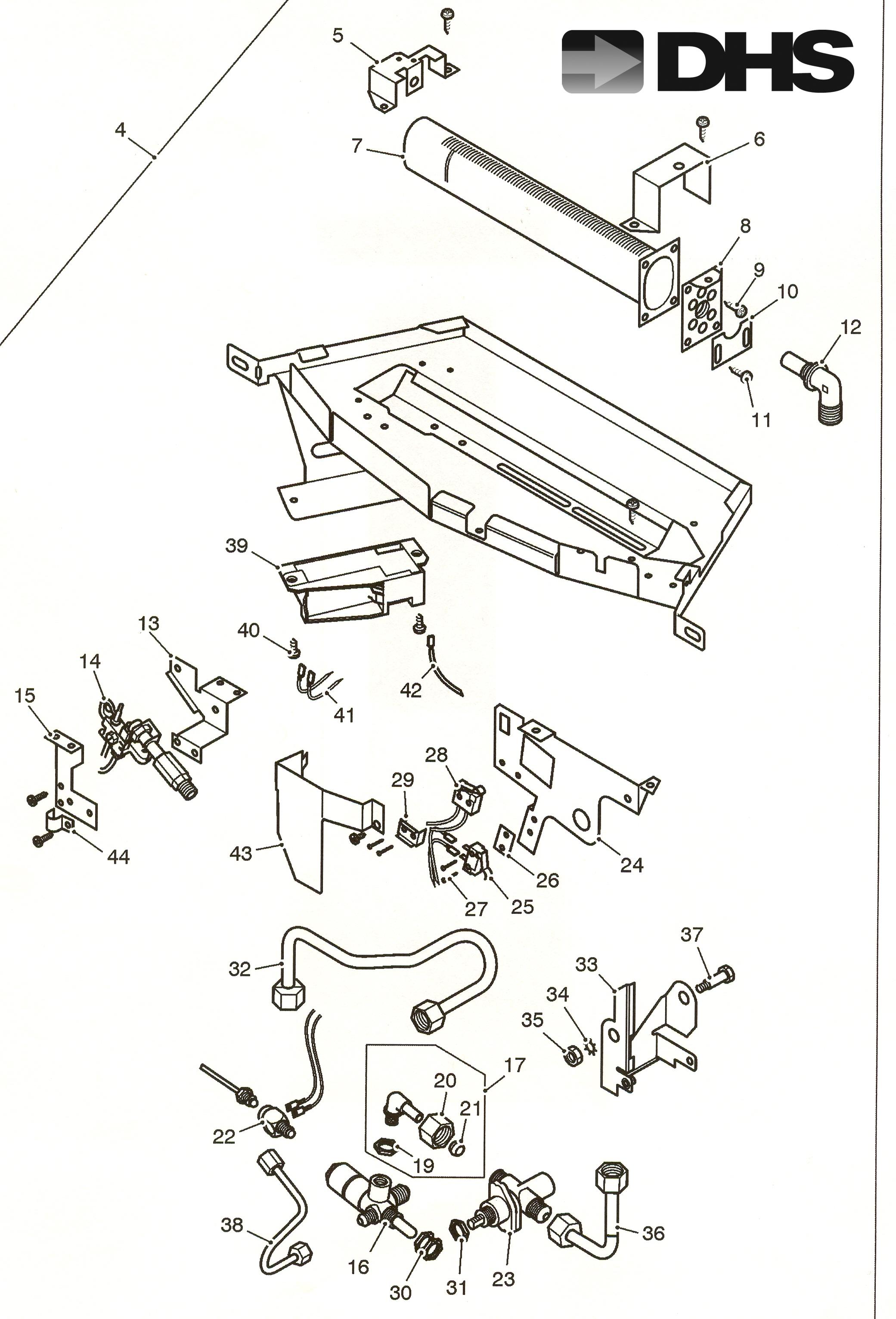
Here you can find the spare parts for the Valor Obsession 750FS. Can't find the part you're looking for? You can contact us and a member of our team will be more than happy to help find the part you need.
All of our boiler manuals are free to download from our boiler manuals section
