Valor Decadent Model 740 FS / ENGINE
Brand: Valor Range: Decadent Model: Model 740 FS GC Number: 32-032-55
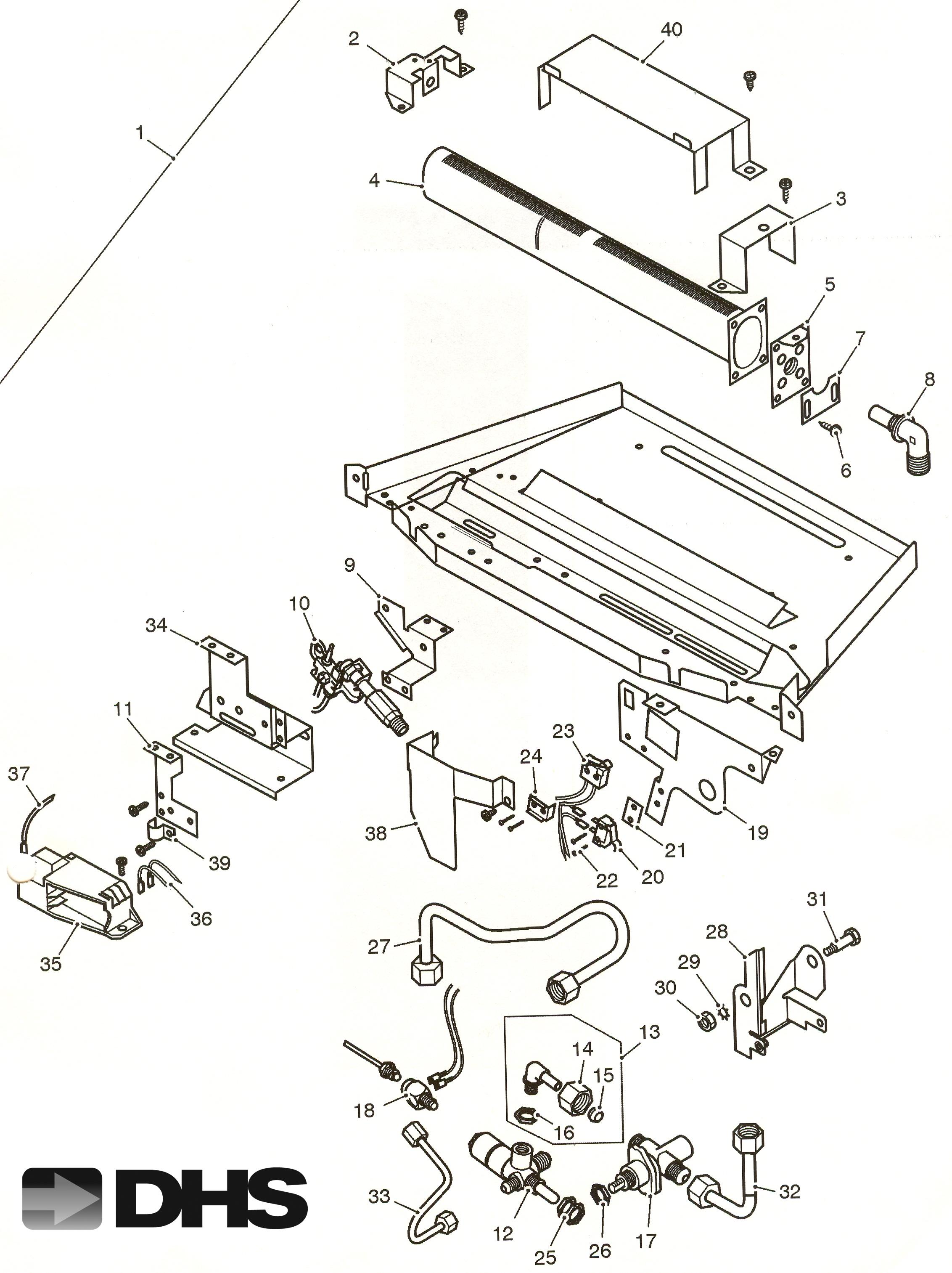
Here you can find the spare parts for the Valor Decadent Model 740 FS. Can't find the part you're looking for? You can contact us and a member of our team will be more than happy to help find the part you need.
All of our boiler manuals are free to download from our boiler manuals section
