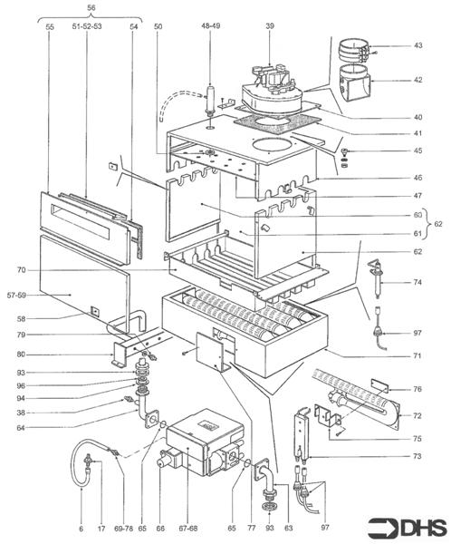
TALENT

We offer a wide range of spare parts for the TALENT. Can't find the part you're looking for? You can contact us (using the details at the bottom of the page) and we'll be happy to help you find the part you need.

All of our boiler manuals are free to download from our boiler manuals section.

ALL PARTS FOR THIS MODEL
CONTROL BOX logo
CONTROL BOX
FLUE ASSY logo
FLUE ASSY
GAS TRAIN & COMBUSTION CHAMBER logo
GAS TRAIN & COMBUSTION CHAMBER
HEAT EXCHANGER & PUMP logo
HEAT EXCHANGER & PUMP
SHORT PARTS LIST