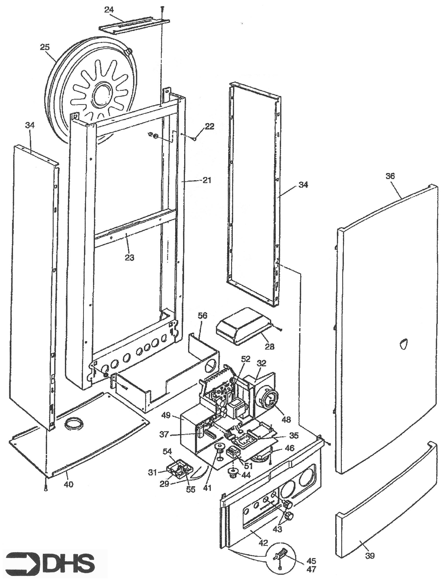
Ferroli Optima 800 / CASING ASSEMBLY & CONTROL BOX
Brand: Ferroli Range: Optima Model: 800 GC Number: 47-267-08
We have a wide range of spare parts for the Ferroli Optima 800. Can't find the part you're looking for? You can contact us and a member of our team will be more than happy to help find the part you need.
All of our boiler manuals are free to download from our boiler manuals section
