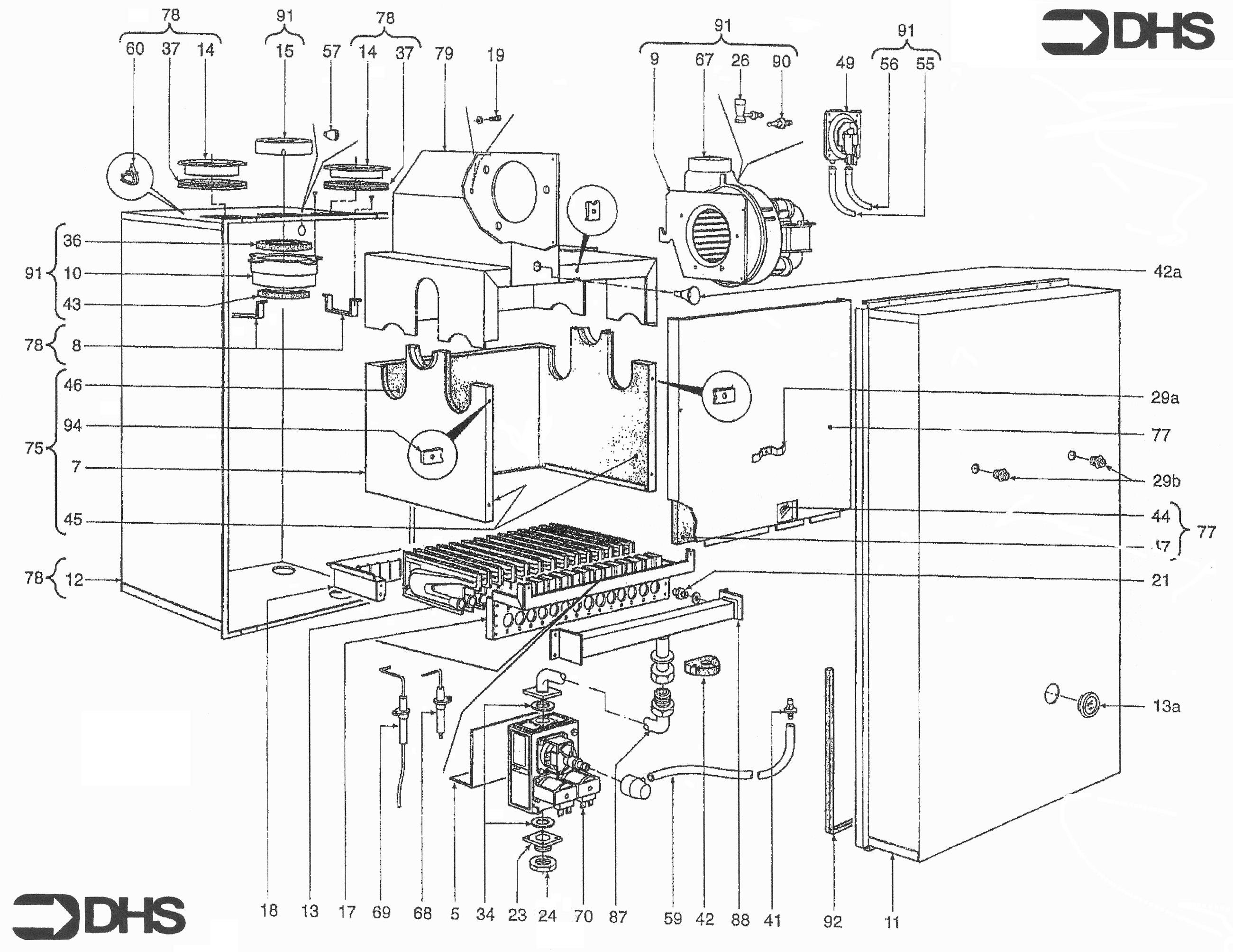
Ferroli Modena 80 E MF01 / GAS LINE
Brand: Ferroli Range: Modena Model: 80 E MF01
We have a wide range of spare parts for the Ferroli Modena 80 E MF01. Can't find the part you're looking for? You can contact us and a member of our team will be more than happy to help find the part you need.
All of our boiler manuals are free to download from our boiler manuals section
