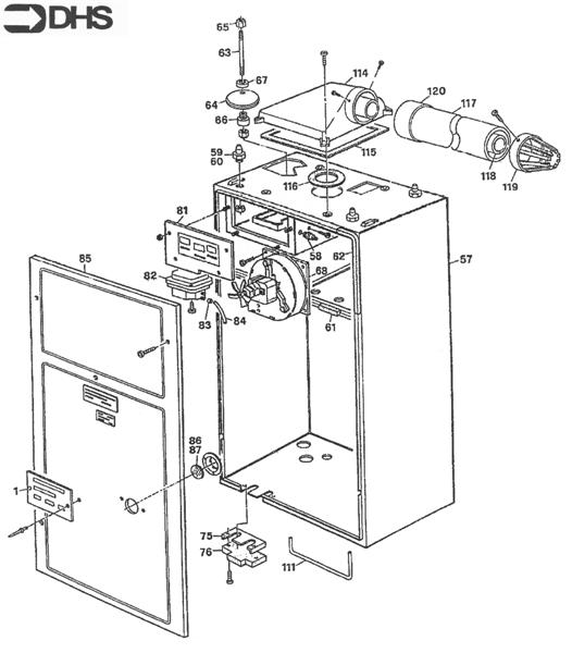
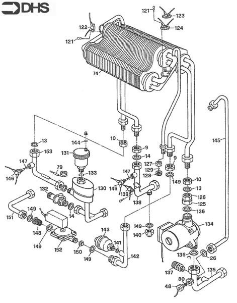
Ferroli Combi 77 FF Popular
We offer a wide range of spare parts for the Ferroli Combi 77 FF Popular. Can't find the part you're looking for? You can contact us (using the details at the bottom of the page) and we'll be happy to help you find the part you need.
All of our boiler manuals are free to download from our boiler manuals section.