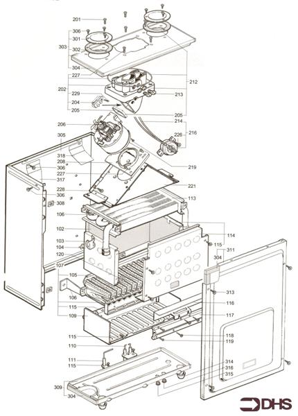
Chaffoteaux Britony Combi Se 100 From 02

We offer a wide range of spare parts for the Chaffoteaux Britony Combi Se 100 From 02. Can't find the part you're looking for? You can contact us (using the details at the bottom of the page) and we'll be happy to help you find the part you need.

All of our boiler manuals are free to download from our boiler manuals section.

ACCESSORIES - MAINTENANCE logo
ACCESSORIES - MAINTENANCE
ALL PARTS FOR THIS MODEL
BURNER - FAN - SEALED CASE logo
BURNER - FAN - SEALED CASE
CHASSIS - FRONT CASE logo
CHASSIS - FRONT CASE
ELECTRICAL BOX logo
ELECTRICAL BOX
GAS SECTION logo
GAS SECTION
HYDRAULIC BLOCK logo
HYDRAULIC BLOCK
JIG PLATE & PIPE FITTING - SE- logo
JIG PLATE & PIPE FITTING - SE-