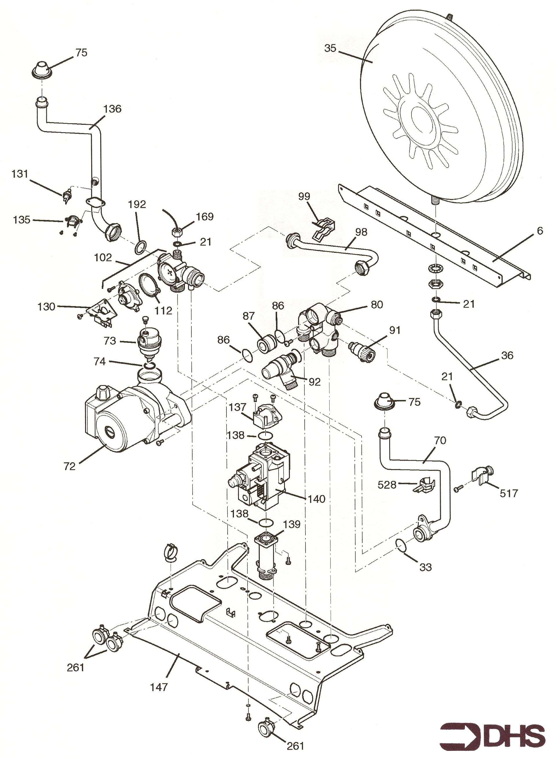
Potterton Performa System 28 E / HYDRAULICS
Brand: Potterton Range: PERFORMA Model: System 28 E GC Number: 41-590-91
Here you can find the spare parts for the Potterton Performa System 28 E. Can't find the part you're looking for? You can contact us and a member of our team will be more than happy to help find the part you need.
Installation ManualAll of our boiler manuals are free to download from our boiler manuals section
