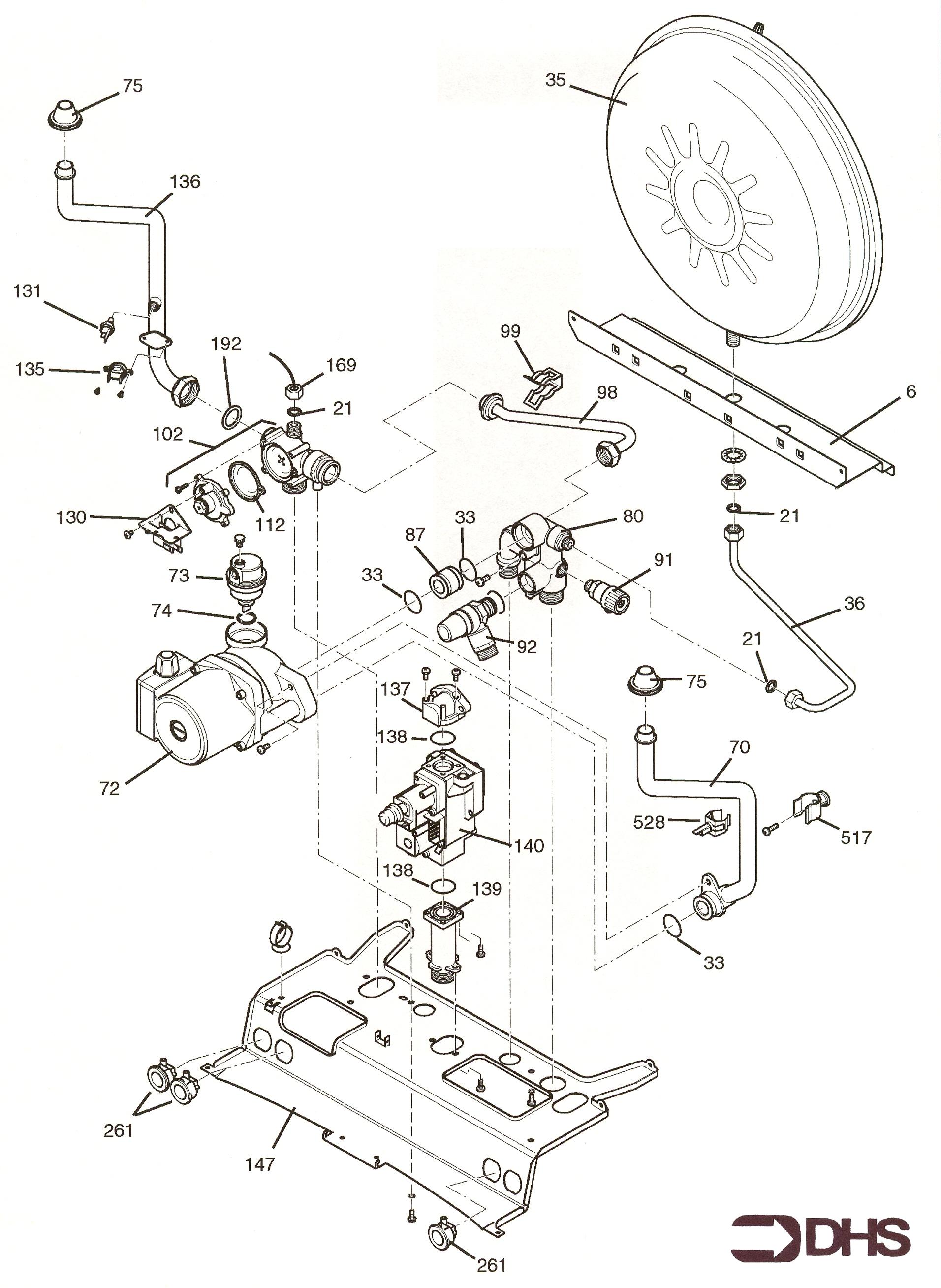
Potterton Performa System 24 E / HYDRAULICS
Brand: Potterton Range: PERFORMA Model: System 24 E GC Number: 41-590-90
Here you will find all the spare parts for the Potterton Performa System 24 E. Can't find the part you're looking for? You can contact us and a member of our team will be more than happy to help find the part you need.
Installation ManualAll of our boiler manuals are free to download from our boiler manuals section
