Potterton Performa System 18 He

We offer a wide range of spare parts for the Potterton Performa System 18 He. Can't find the part you're looking for? You can contact us (using the details at the bottom of the page) and we'll be happy to help you find the part you need.

All of our boiler manuals are free to download from our boiler manuals section.

ALL PARTS FOR THIS MODEL
CASING ASSY logo
CASING ASSY
COMB CHAMBER logo
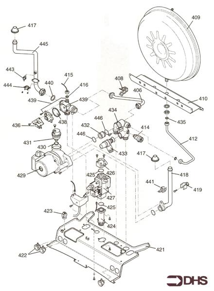
COMB CHAMBER
CONTROLS logo
CONTROLS
HYDRAULICS logo
HYDRAULICS
SECONDARY HEAT EXCHANGER logo
SECONDARY HEAT EXCHANGER
SHORT PARTS LIST logo
SHORT PARTS LIST
SHORT PARTS LIST
STANDARD FLUE KIT logo
STANDARD FLUE KIT
WALL JIG - TAPS logo
WALL JIG - TAPS
WIRING HARNESSES logo
WIRING HARNESSES