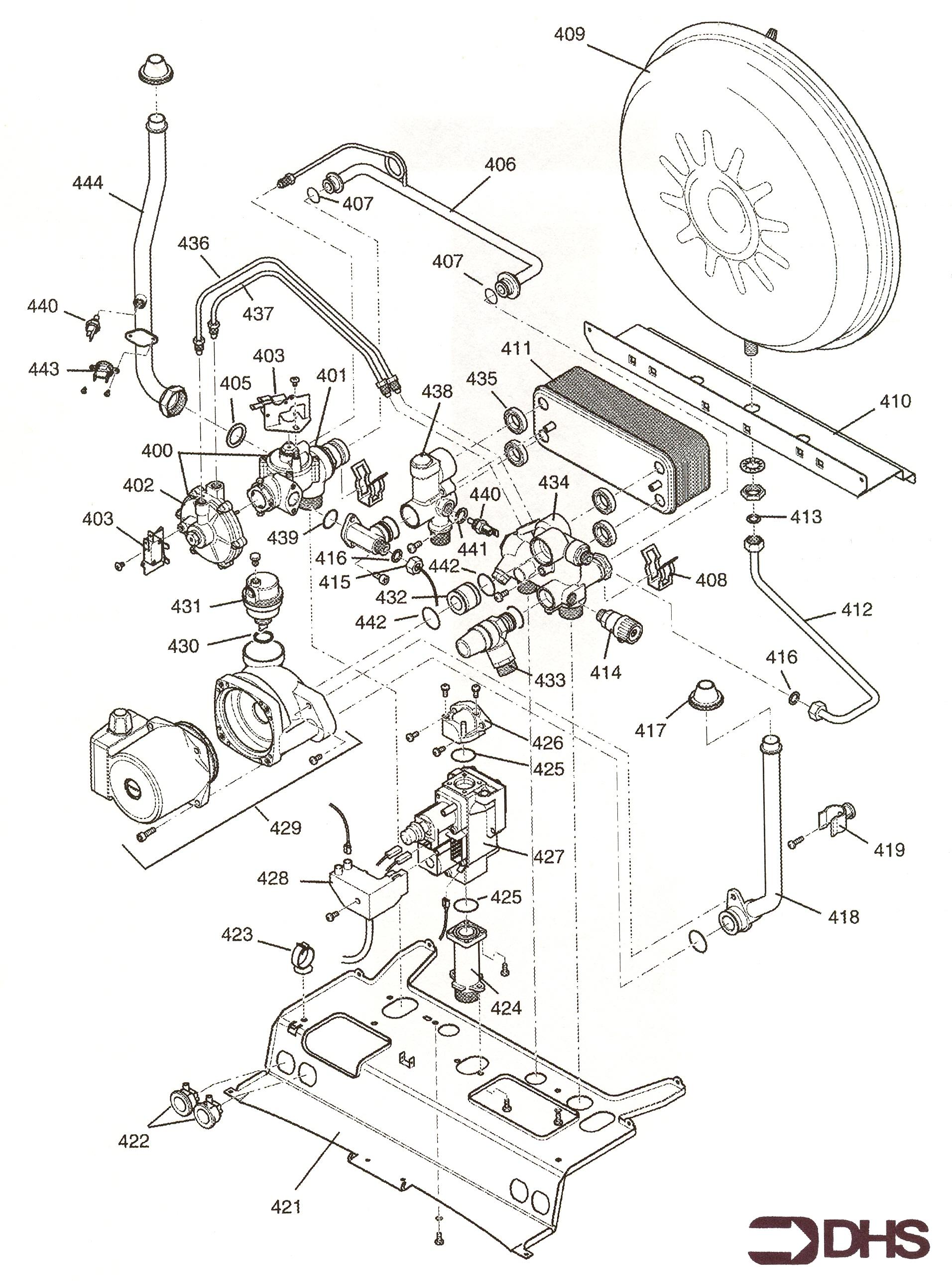
Potterton Performa 30HE / HYDRAULICS
Brand: Potterton Range: PERFORMA Model: 30HE GC Number: 47-393-13
Here you will find all the spare parts for the Potterton Performa 30HE. Can't find the part you're looking for? You can contact us and a member of our team will be more than happy to help find the part you need.
Installation ManualAll of our boiler manuals are free to download from our boiler manuals section
411 Baxi 7225723 DHW 16 Plates Heat Exchanger - Duo - Tec/Platinum/Main Combi
Part No: 1116823 MPN: 7225723
402 Baxi 7224342 Pressure Differential Assembly Kit - Alpha/Combi/Main Combi
Part No: 1116852 MPN: 7224342
- Baxi 710115301 Hex Pozi Screw - M5 x 14 - Duo Tec/EcoBlue Advance/Combi
Part No: 1119658 MPN: 710115301
