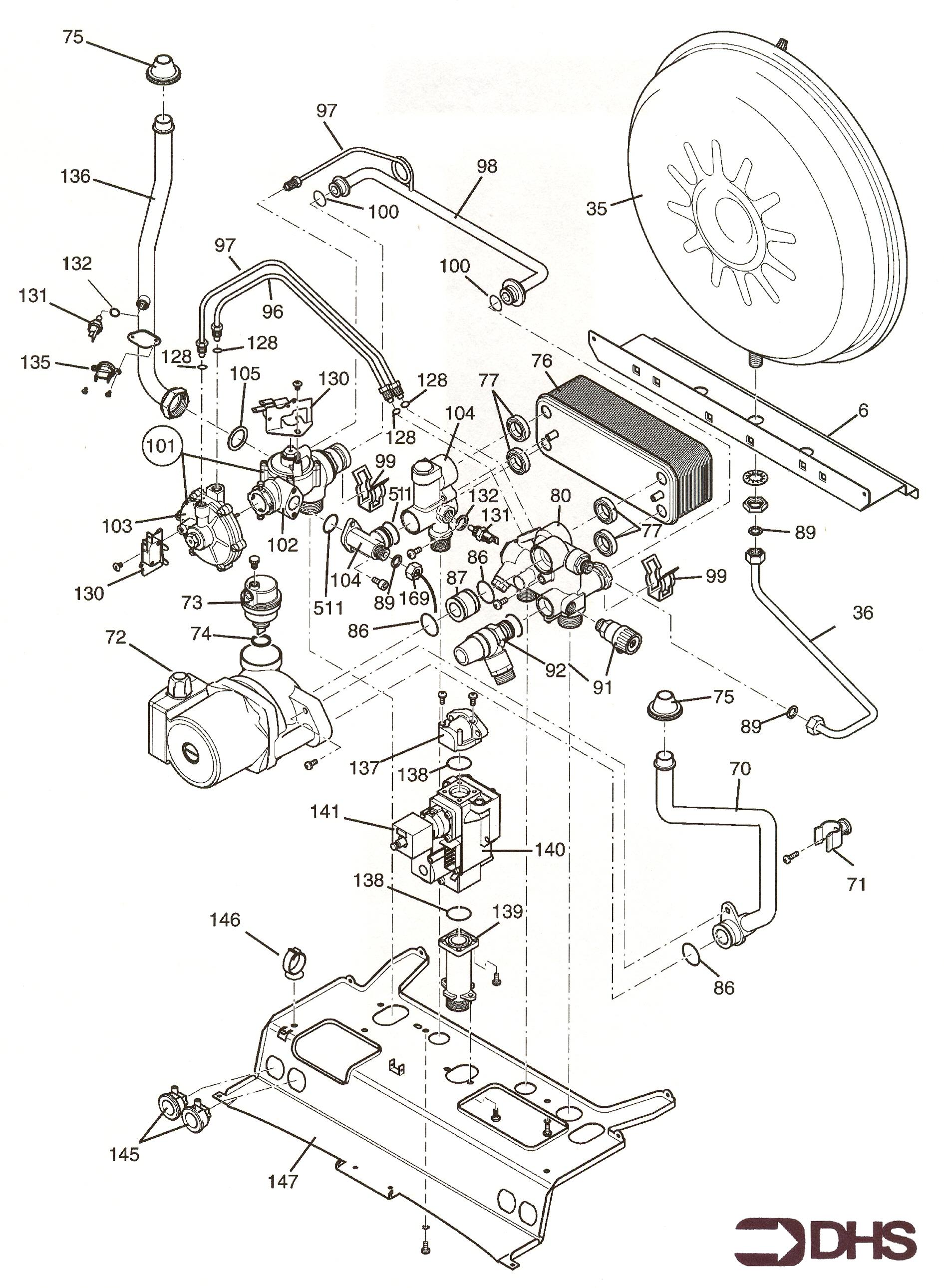
Potterton Performa 28 / HYDRAULICS
Brand: Potterton Range: PERFORMA Model: 28 GC Number: 47-393-07
We have a wide range of spare parts for the Potterton Performa 28. Can't find the part you're looking for? You can contact us and a member of our team will be more than happy to help find the part you need.
All of our boiler manuals are free to download from our boiler manuals section
