Potterton Netaheat 16/22 MK2

We offer a wide range of spare parts for the Potterton Netaheat 16/22 MK2. Can't find the part you're looking for? You can contact us (using the details at the bottom of the page) and we'll be happy to help you find the part you need.

All of our boiler manuals are free to download from our boiler manuals section.

ALL PARTS FOR THIS MODEL
CASING ASSY logo
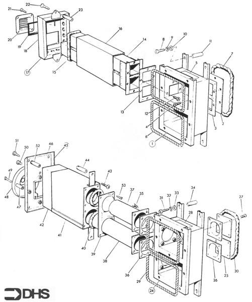
CASING ASSY
CONTROL PANEL ASSY logo
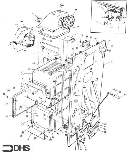
CONTROL PANEL ASSY
FLUE OUTLET ASSY logo
FLUE OUTLET ASSY
GAS CONTROL - BURNER ASSY logo
GAS CONTROL - BURNER ASSY
HEAT EXCHANGER COMB CHAMB A logo
HEAT EXCHANGER COMB CHAMB A
SHORT PARTS LIST