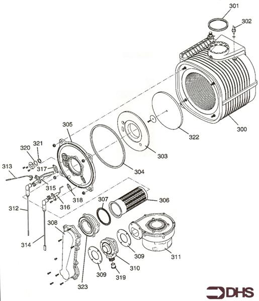
Potterton Gold Combi 28HE

We offer a wide range of spare parts for the Potterton Gold Combi 28HE. Can't find the part you're looking for? You can contact us (using the details at the bottom of the page) and we'll be happy to help you find the part you need.

All of our boiler manuals are free to download from our boiler manuals section.

ALL PARTS FOR THIS MODEL
COMB. BOX logo
COMB. BOX
CONTROLS logo
CONTROLS
HEAT EXCH logo
HEAT EXCH
HYDRAULICS logo
HYDRAULICS
OUTER CASING ASSY logo
OUTER CASING ASSY
SHORT PARTS LIST
SHORT PARTS LIST logo
SHORT PARTS LIST
WALL JIG & CONNECTIONS logo
WALL JIG & CONNECTIONS
WIRING HARNESS logo
WIRING HARNESS