Myson Housewarmer Windsor 925 / CASING
Brand: Myson Range: HOUSEWARMER Model: Windsor 925
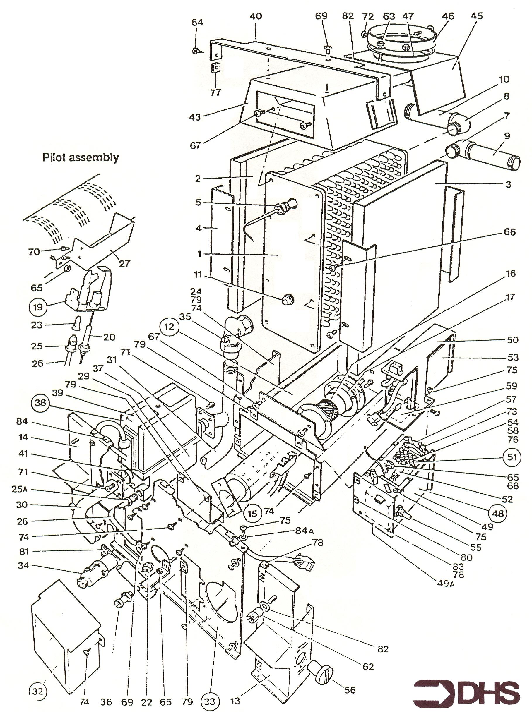
Here you will find all the spare parts for the Myson Housewarmer Windsor 925. Can't find the part you're looking for? You can contact us and a member of our team will be more than happy to help find the part you need.
All of our boiler manuals are free to download from our boiler manuals section
