Myson Housewarmer 55 Elegant 2 / BOILER
Brand: Myson Range: HOUSEWARMER Model: 55 ELEGANT 2
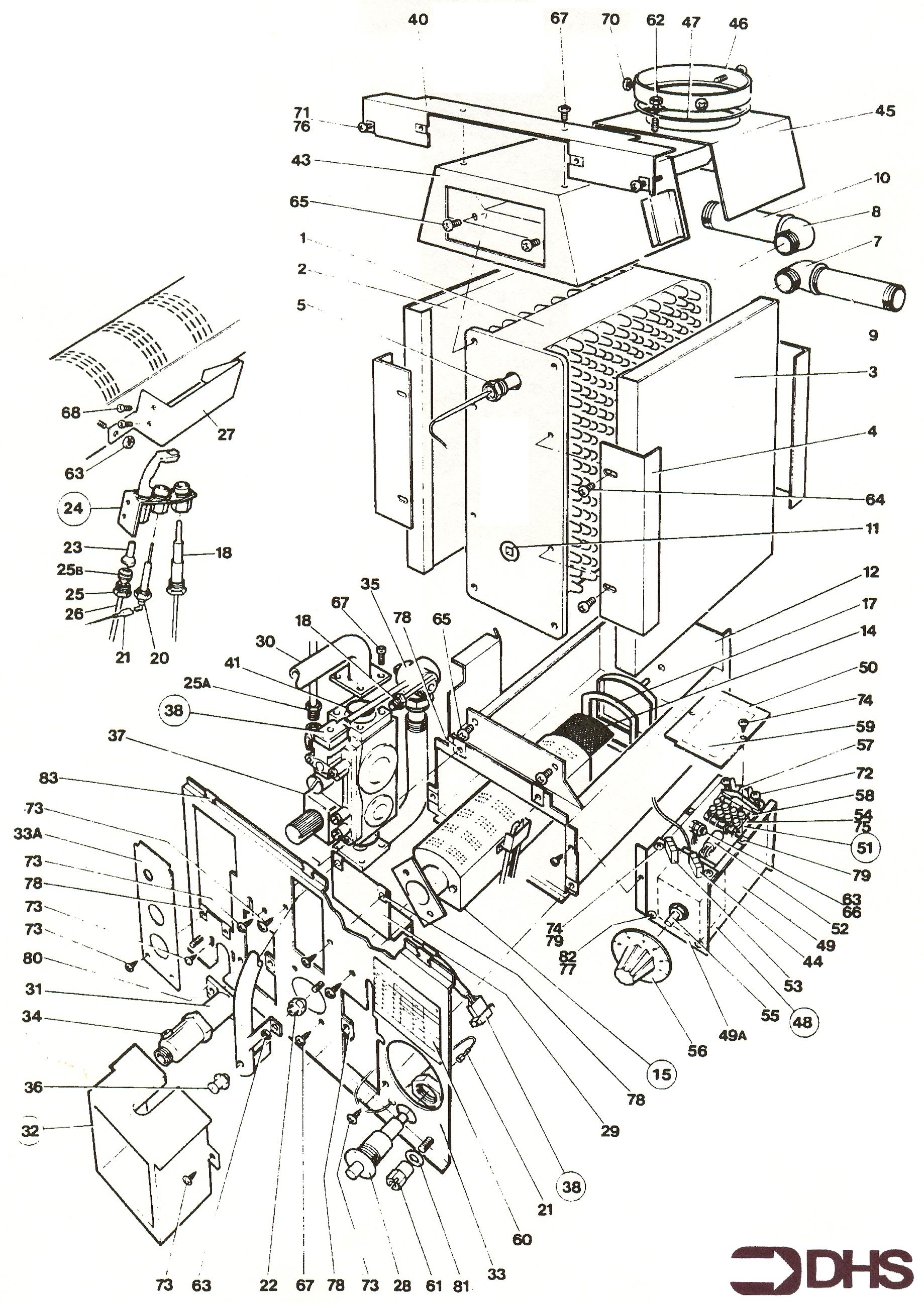
We offer a wide range of spare parts for the Myson Housewarmer 55 Elegant 2. Can't find the part you're looking for? You can contact us and a member of our team will be more than happy to help find the part you need.
All of our boiler manuals are free to download from our boiler manuals section
