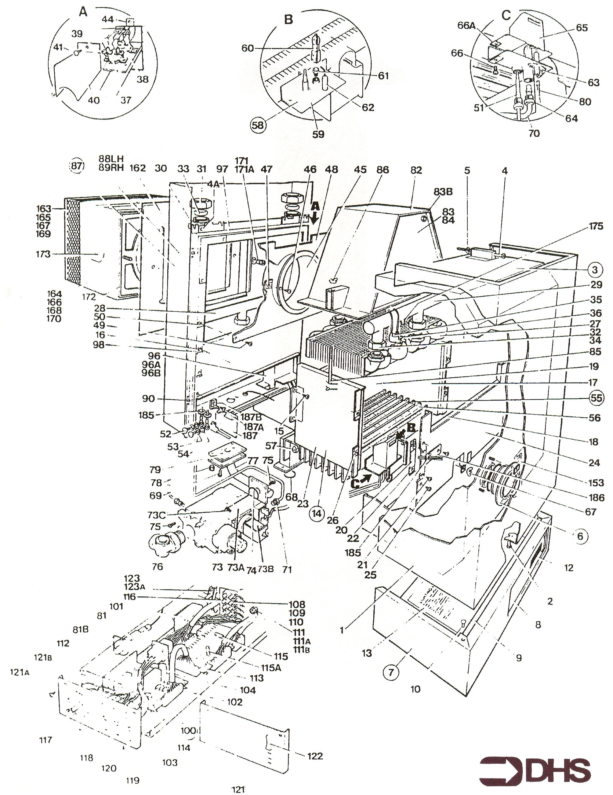
GEMIMI COMBINATION BOILER / BOILER

Baxi 062617 Screw St No8 x 1/2 Pan Poz.Type B 066

Baxi 062617 Screw St No8 x 1/2 Pan Poz.Type B

Part No: 1110638 MPN: 062617

£4.67 inc VAT

Available in 5-7 working days

Myson 402S2460 Apollo Thermocouple - 700mm 051

Myson 402S2460 Apollo Thermocouple - 700mm

Part No: 1177300 MPN: 402S2460

Sorry, this part is now obsolete

View Part Details
MYSON 402S184 LIMITSTAT HI BROWN 037/37A

MYSON 402S184 LIMITSTAT HI BROWN

Part No: 1177270 MPN: 402S184

£3.59 inc VAT

In stock - Next day delivery available

075/101A

POTTERTON S/265/8 SCREW M5 X 10 POZI HEX

Part No: 1126091 MPN: S/265/8

Sorry, this part is now obsolete

View Part Details
044

MYSON 231832POT CAPTIVE NUT NO.8

Part No: 1130460 MPN: 231832POT

Sorry, this part is now obsolete

View Part Details
034

MYSON 402C169 22MM OLIVE.

Part No: 1130978 MPN: 402C169

Sorry, this part is now obsolete

View Part Details
083B/111A

MYSON 635506 NUT M5 FULL BRASS

Part No: 1131256 MPN: 635506

Sorry, this part is now obsolete

View Part Details
MYSON 402S185 LIMITSTAT LO WHITE 038/38A

MYSON 402S185 LIMITSTAT LO WHITE

Part No: 1177275 MPN: 402S185

Sorry, this part is now obsolete

View Part Details
002/069

POTTERTON 633926 SCREW PANPOZ M5X10 MS NP

Part No: 1124205 MPN: 633926

Sorry, this part is now obsolete

View Part Details
064

HWEL 45004098002 COMPRESSION FITTING -OBSOLETE

Part No: 1905000 MPN: 45004098-002

Sorry, this part is now obsolete

View Part Details
005

MYSN 400A00157 O RING ANGUS R2015 GRADE P5 -OBSOLETE

Part No: 1130838 MPN: 400A00157

Sorry, this part is now obsolete

View Part Details
085

MYSN 402C419 TIE ROD -OBSOLETE

Part No: 1131024 MPN: 402C419

Sorry, this part is now obsolete

View Part Details
MYSON 308S116 SPARK ELECTRODE. 062

MYSON 308S116 SPARK ELECTRODE.

Part No: 1175875 MPN: 308S116

Sorry, this part is now obsolete

View Part Details
POTTERTON ASSEMBLY FLUE DUCT GAS TUBE - NO LONGER AVAILABLE 045

POTTERTON ASSEMBLY FLUE DUCT GAS TUBE - NO LONGER AVAILABLE

Part No: 1121346 MPN: 231372POT

Sorry, this part is now obsolete

View Part Details
117

POTTERTON 7211472 EP1 PROGRAMMER

Part No: 1124529 MPN: 7211472

Sorry, this part is now obsolete

View Part Details
41 products found