Baxi Wall Mounted OF 552

We offer a wide range of spare parts for the Baxi Wall Mounted OF 552. Can't find the part you're looking for? You can contact us (using the details at the bottom of the page) and we'll be happy to help you find the part you need.

All of our boiler manuals are free to download from our boiler manuals section.

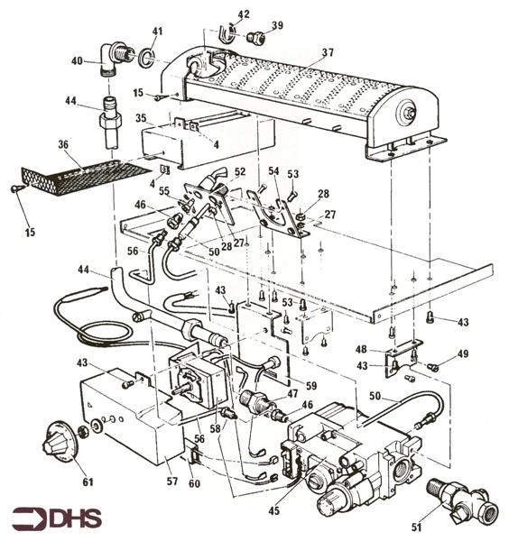
ALL PARTS FOR THIS MODEL
CONTROLS ASSY logo
CONTROLS ASSY
SHORT PARTS LIST