Baxi Solo 2 PF 80 / BOX COMBUSTION
Brand: Baxi Range: Solo 2 Model: PF 80 GC Number: 41-077-75
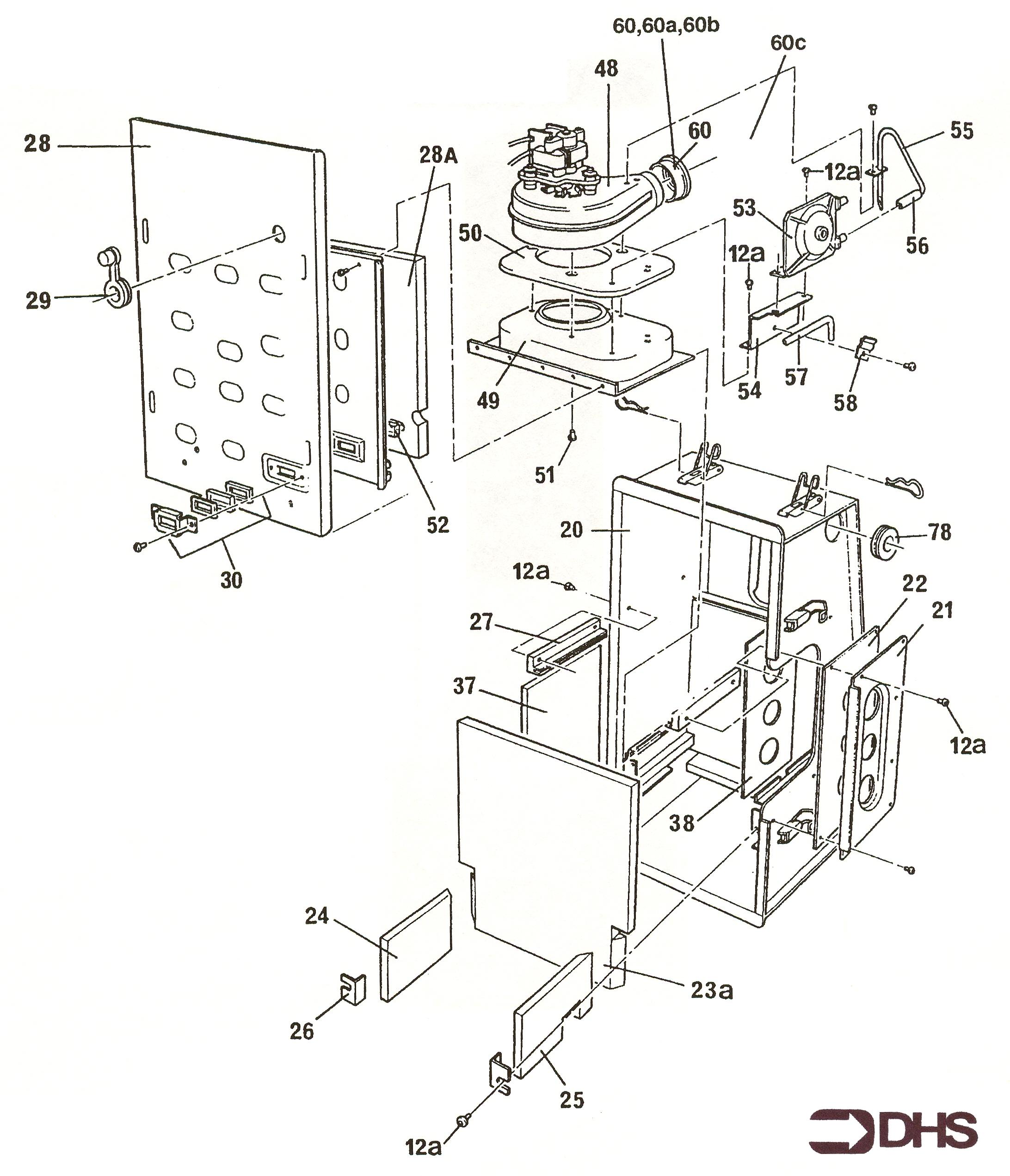
Here you can find the spare parts for the Baxi Solo 2 PF 80. Can't find the part you're looking for? You can contact us and a member of our team will be more than happy to help find the part you need.
All of our boiler manuals are free to download from our boiler manuals section
