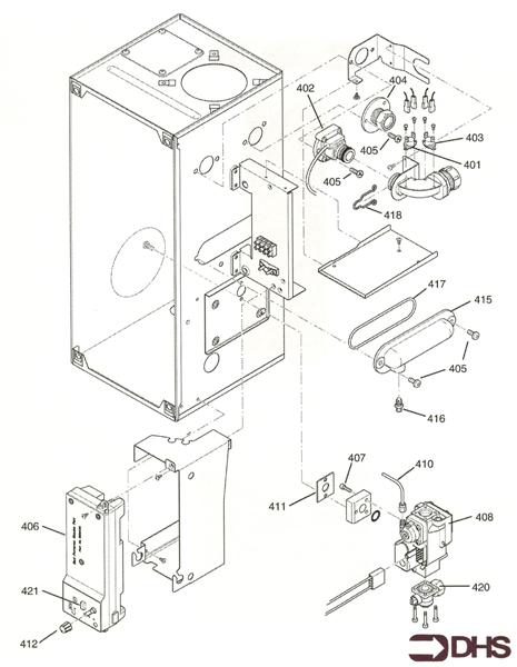
Baxi HE Plus Iss 02 100/2

We offer a wide range of spare parts for the Baxi HE Plus Iss 02 100/2. Can't find the part you're looking for? You can contact us (using the details at the bottom of the page) and we'll be happy to help you find the part you need.

All of our boiler manuals are free to download from our boiler manuals section.

AIR BOX logo
AIR BOX
ALL PARTS FOR THIS MODEL
CONTROLS logo
CONTROLS
ELECTRICAL HARNESSES logo
ELECTRICAL HARNESSES
FLUE logo
FLUE
HEAT EXCHANGER logo
HEAT EXCHANGER
OUTERCASE logo
OUTERCASE
SHORT PARTS LIST logo
SHORT PARTS LIST
SHORT PARTS LIST