Baxi Genesis 80

We offer a wide range of spare parts for the Baxi Genesis 80. Can't find the part you're looking for? You can contact us (using the details at the bottom of the page) and we'll be happy to help you find the part you need.

All of our boiler manuals are free to download from our boiler manuals section.

ACCESSORIES
ALL PARTS FOR THIS MODEL
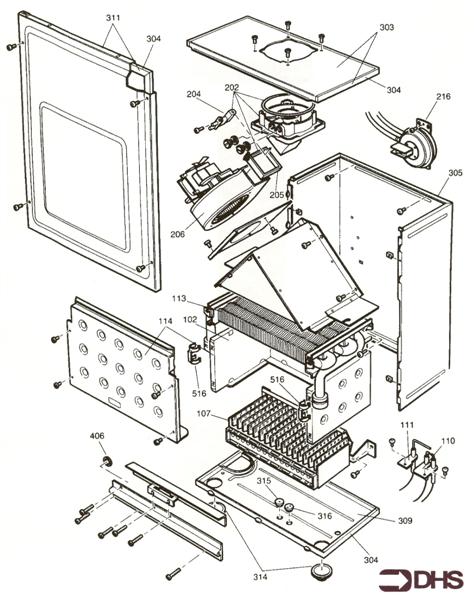
BOILER ASSY logo
BOILER ASSY
FLUE ASSY logo
FLUE ASSY
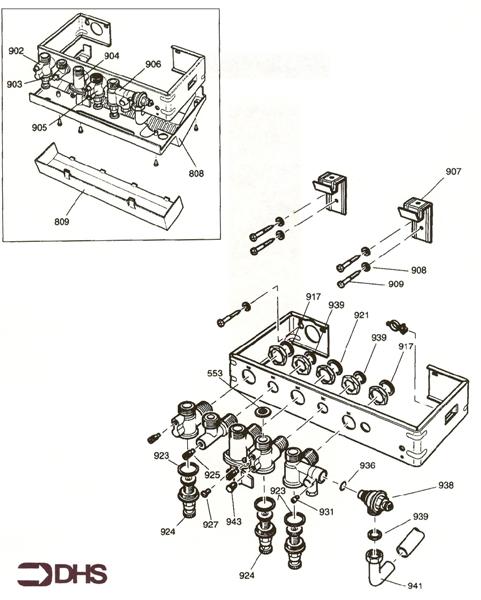
HYDRAULICS logo
HYDRAULICS
OPTIONAL EXTRAS
OUTERCASE/CONTROL logo
OUTERCASE/CONTROL
SHORT PARTS LIST
TAP ASSY logo
TAP ASSY