Baxi Boston 2 RS 40

We offer a wide range of spare parts for the Baxi Boston 2 RS 40. Can't find the part you're looking for? You can contact us (using the details at the bottom of the page) and we'll be happy to help you find the part you need.

All of our boiler manuals are free to download from our boiler manuals section.

ALL PARTS FOR THIS MODEL
BOILER ASSY logo
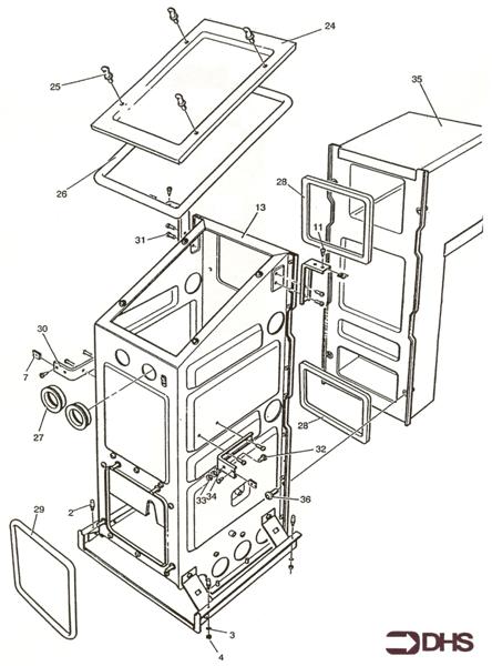
BOILER ASSY
COMBUSTION BOX logo
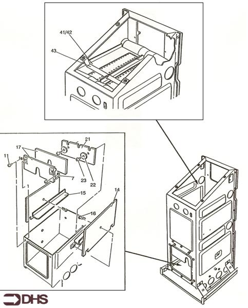
COMBUSTION BOX
COMBUSTION BOX 2 logo
COMBUSTION BOX 2
CONTROLS logo
CONTROLS
FLUE logo
FLUE
OUTERCASE logo
OUTERCASE
SHORT PARTS LIST
SHORT PARTS LIST logo
SHORT PARTS LIST