Baxi Bermuda SP 2 Renewal / CONTROLS
Brand: Baxi Range: Bermuda Model: SP 2 Renewal GC Number: 37-077-46
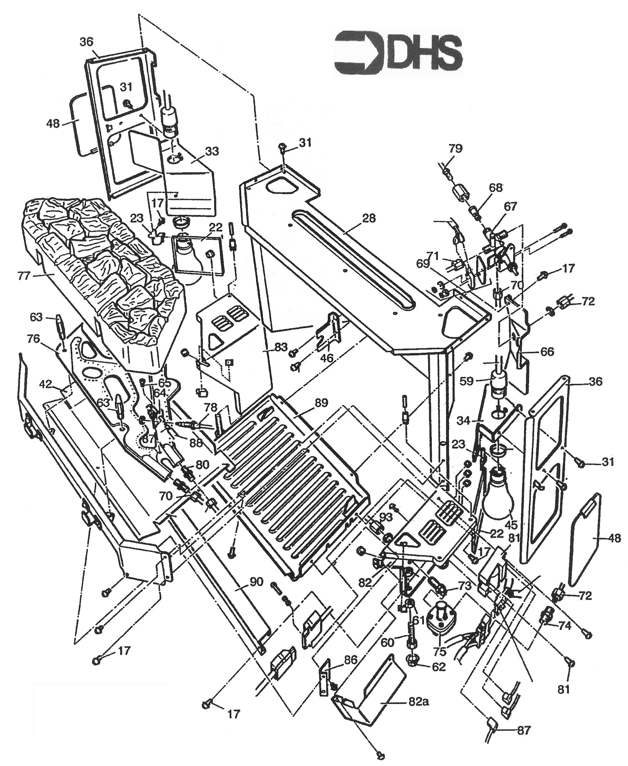
Here you will find all the spare parts for the Baxi Bermuda SP 2 Renewal. Can't find the part you're looking for? You can contact us and a member of our team will be more than happy to help find the part you need.
All of our boiler manuals are free to download from our boiler manuals section
