Baxi Bermuda GF 2 Super Renewal

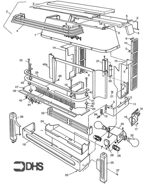
We offer a wide range of spare parts for the Baxi Bermuda GF 2 Super Renewal. Can't find the part you're looking for? You can contact us (using the details at the bottom of the page) and we'll be happy to help you find the part you need.

All of our boiler manuals are free to download from our boiler manuals section.

ALL PARTS FOR THIS MODEL
HEAT EXCHANGER logo
HEAT EXCHANGER
OUTERCASE ASSY logo
OUTERCASE ASSY
SHORT PARTS LIST
SHORT PARTS LIST logo
SHORT PARTS LIST