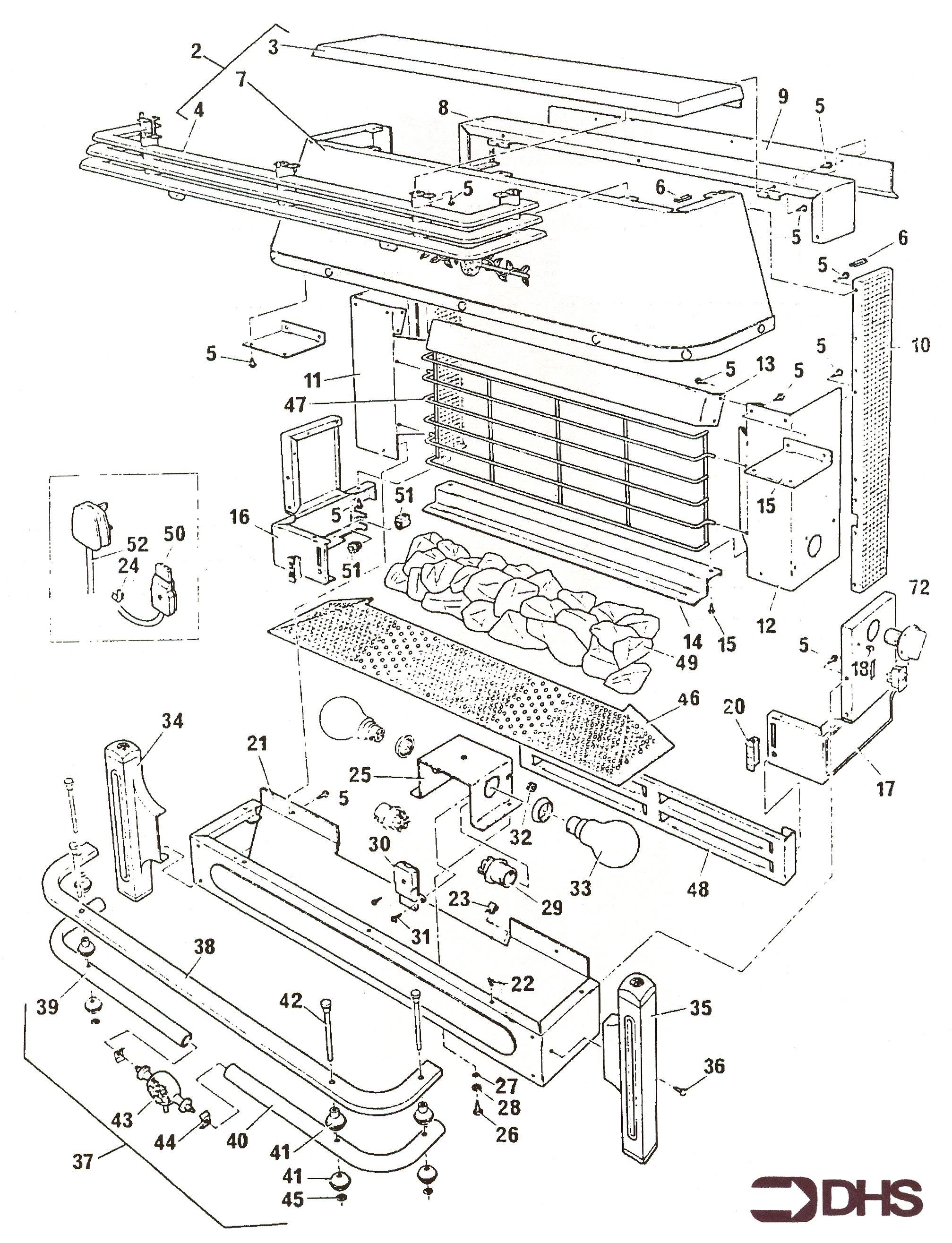
Baxi Barbican / OUTER CASING ASSY
Brand: Baxi Range: Barbican GC Number: 32-077-20
We have a wide range of spare parts for the Baxi Barbican. Can't find the part you're looking for? You can contact us and a member of our team will be more than happy to help find the part you need.
All of our boiler manuals are free to download from our boiler manuals section
