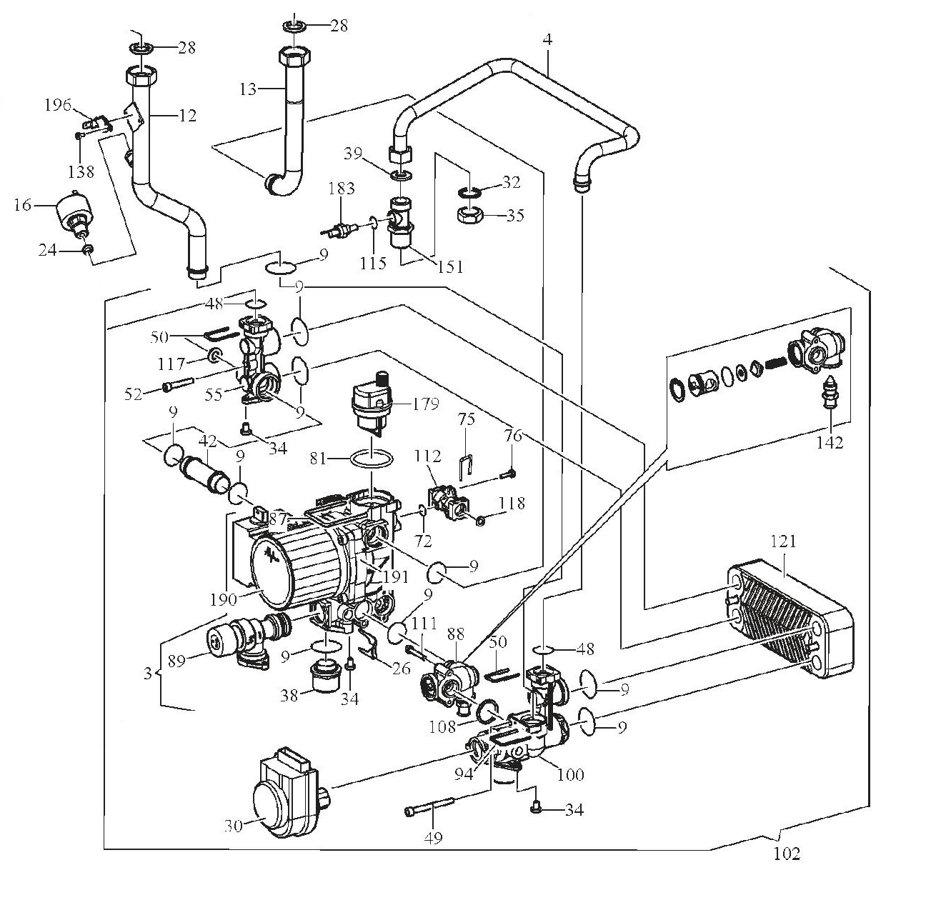
Alpha CD 35 C / PUMP ASSEMBLY
Brand: Alpha Range: CD Model: 35 C GC Number: 47-532-36
We have a wide range of spare parts for the Alpha CD 35 C. Can't find the part you're looking for? You can contact us and a member of our team will be more than happy to help find the part you need.
Installation ManualAll of our boiler manuals are free to download from our boiler manuals section
