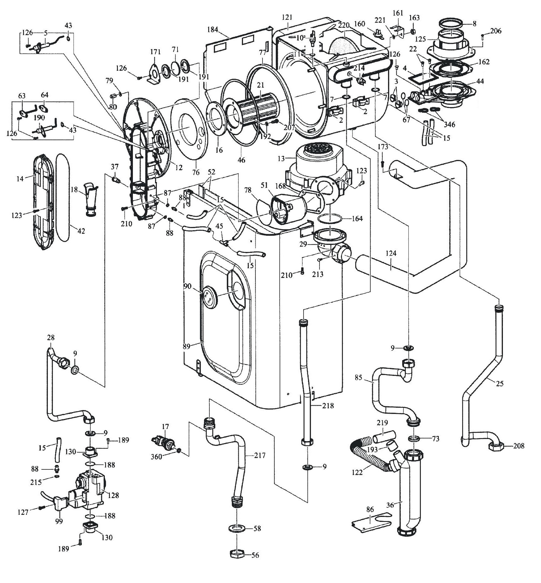
Alpha CD 30 S / HEAT EXCHANGER
Brand: Alpha Range: CD Model: 30 S GC Number: 41-532-08
We have a range of spare parts for the Alpha CD 30 S. Can't find the part you're looking for? You can contact us and a member of our team will be more than happy to help find the part you need.
All of our boiler manuals are free to download from our boiler manuals section
