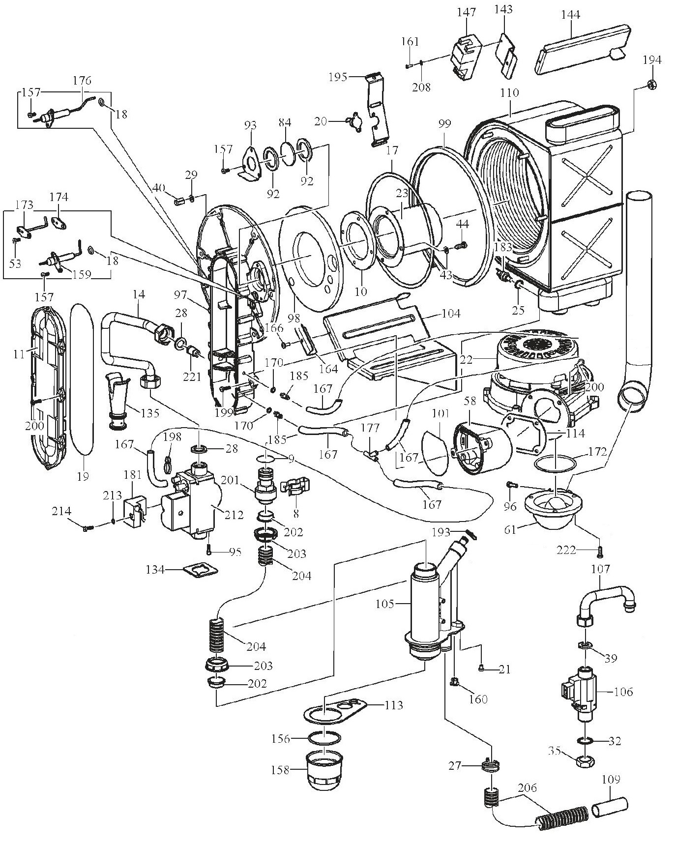
Alpha CD 25 C / HEAT EXCHANGER
Brand: Alpha Range: CD Model: 25 C GC Number: 47-532-32
We have a range of spare parts for the Alpha CD 25 C. Can't find the part you're looking for? You can contact us and a member of our team will be more than happy to help find the part you need.
Installation ManualAll of our boiler manuals are free to download from our boiler manuals section
