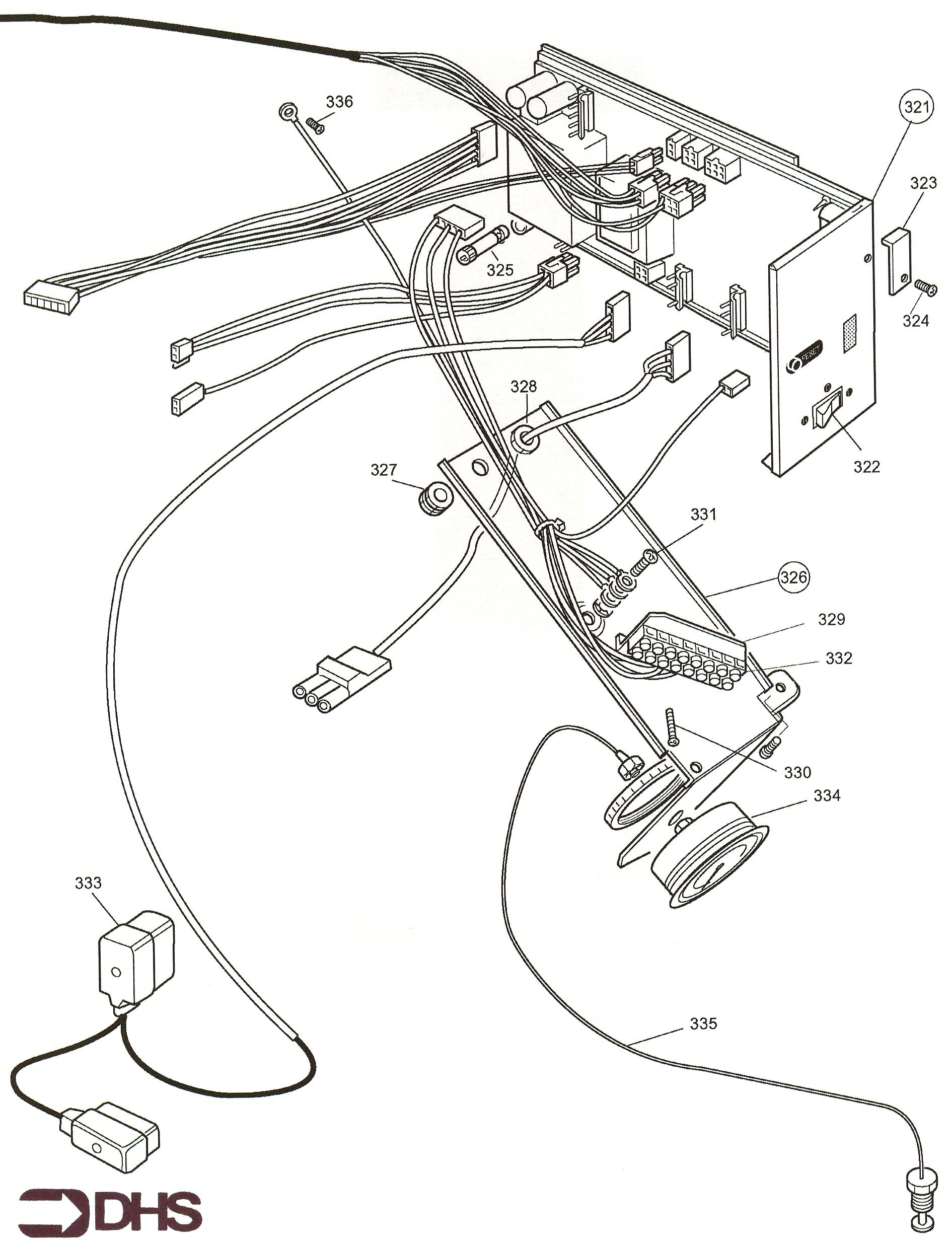
Potterton Envoy System 60 / CONTROL ASSY
Brand: Potterton Range: ENVOY Model: System 60 GC Number: 41-607-87
Here you can find the spare parts for the Potterton Envoy System 60. Can't find the part you're looking for? You can contact us and a member of our team will be more than happy to help find the part you need.
Installation ManualAll of our boiler manuals are free to download from our boiler manuals section
